Glass - Front Door for 1991 Cadillac Brougham
No.
Part # / Description / Price
Price
5
6
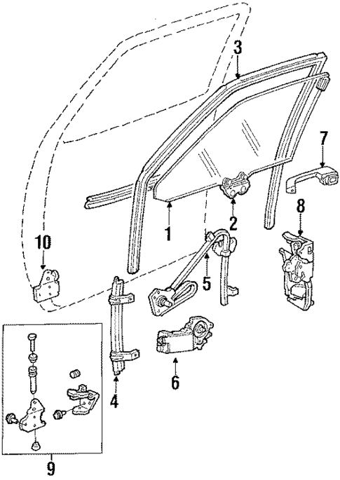
Power Window Regulator Motor
GM
GM Positions: Right
Description: This part requires programming and/or special setup procedures GM Service Information describes the procedures and special tools needed to ensure proper operation in the vehicle
Designed to allow the window to be operated with the push of a button
This GM Genuine Part is designed, engineered, and tested to rigorous standards and is backed by General Motors
MSRP $131.22
$76.76
MSRP $131.22
$76.76
Related Parts
Part # / Description / Price
Price
Lock Cylinder
GM
GM Positions: Left
Description: All models. With light & anti theft. 4 door, with lock lamp, with power locks. 2 door.
Tape
GM
GM Notes: PARTS: 90 foot roll, cut as required.
Description: Per foot. Drive. Sedan & wagon, 54. 2 door convertible.

